logo

rincian produk

Created with Pixso. Rumah Created with Pixso. Produk Created with Pixso.
Perangkat perlindungan tegangan rendah
Created with Pixso.

Phoenix MACX MCR-T-UI-UP 2811394 temperature measurement module has high accuracy

Phoenix MACX MCR-T-UI-UP 2811394 temperature measurement module has high accuracy

Nama merek: Phoenix
Nomor Model: 2811394
MOQ: 1
harga: Negotiations
Informasi Rinci
Tempat asal:
Jerman
Tegangan switching maksimum:
30VAC/DC
Max. Mengganti arus:
1A (30VDC)
Maks. sinyal keluaran saat ini:
22 mA
Beban/keluaran tegangan beban keluaran:
≥ 10 kΩ
Kemasan rincian:
Kotak asli baru
Menyoroti:

Phoenix temperature measurement module

,

high accuracy temperature module

,

low voltage protection temperature sensor

Deskripsi Produk
Phoenix MACX MCR-T-UI-UP 2811394 temperature measurement module has high accuracy
Phoenix MACX MCR-T-UI-UP 2811394 temperature measurement module has high accuracy 0
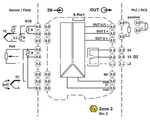
The Phoenix MACX MCR-T-UI-UP (Part No. 2811394) is a high-performance temperature measurement module that stands out for its exceptional accuracy, making it ideal for precision-critical industrial applications. Engineered to deliver reliable temperature detection and signal processing, this module seamlessly integrates with various temperature sensors to convert raw data into stable, industry-standard outputs, ensuring consistent and precise readings even in demanding operating environments. Its compact design and robust build enable easy integration into existing industrial control systems, catering to the needs of process control, manufacturing, and machinery monitoring where accurate temperature measurement is vital for operational efficiency and safety.