logo

rincian produk

Created with Pixso. Rumah Created with Pixso. Produk Created with Pixso.
Perangkat perlindungan tegangan rendah
Created with Pixso.

IC693CMM321 Ethernet Plc Controllers, SERIES 90-30 Io Ethernet Module 4 Saluran

IC693CMM321 Ethernet Plc Controllers, SERIES 90-30 Io Ethernet Module 4 Saluran

Nama merek: GE
Nomor Model: IC693CMM321
MOQ: 1
harga: Dapat dinegosiasikan
Ketentuan Pembayaran: L/C, D/A, D/P, T/T, Western Union, MoneyGram
Kemampuan Penyediaan: In Stock
Informasi Rinci
Place of Origin:
USA
Sertifikasi:
CE
Packaging Details:
New Original Box
Supply Ability:
In Stock
Menyoroti:

4 Saluran Modul Ethernet 90-30

,

Modul Ethernet Seri 90-30

,

Modul Ethernet IC693CMM321

Deskripsi Produk
Deskripsi Produk Detail
Merek: GE Model: IC693CMM321
Tempat Asal: USA Nama Produk: Modul Antarmuka Ethernet
Seri: 90-30 Berat: 1 LBS
Ripple Tegangan: 10% Respons Filter Input: 29 Hz
Sorotan:

pengontrol program industri

,

pengontrol plc ethernet

 

 

Pengontrol Logika Programmable PLC IC693CMM321 GE FANUC SERI 90-30 Modul Antarmuka Ethernet

 

 

 

 

Modul Input/Output Kombinasi Arus/Tegangan Analog menyediakan hingga 4 saluran arus atau tegangan input diferensial dan 2 saluran output single-ended dengan output loop arus atau output tegangan. Setiap saluran dapat dikonfigurasi secara individual untuk rentang arus atau tegangan, sebagaimana berlaku, yang diperlukan untuk aplikasi Anda. Semua konfigurasi modul dilakukan melalui perangkat lunak, kecuali untuk jumper yang diperlukan untuk memilih mode input arus. Semua rentang dapat dikonfigurasi menggunakan fungsi konfigurator perangkat lunak pemrograman Logicmaster 90-30/20/Micro atau Programmer Genggam Seri 90-30.

 

Perhatikan bahwa dalam deskripsi modul ini, modul tersebut akan disebut sebagai Modul Combo Analog.

 

Setiap input analog mampu menyediakan lima rentang input (dua tegangan dan tiga arus), yaitu:

  • 0 hingga +10 volt (unipolar) - rentang default untuk saluran input dan output.
  • –10 hingga +10 volt (bipolar)
  • 0 hingga 20 mA 4 hingga 20 mA
  • 4 hingga 20 mA Ditingkatkan

 

Rentang input default adalah mode tegangan 0 hingga +10 volt (unipolar) dengan data pengguna yang diskalakan sehingga 0V sesuai dengan hitungan 0 dan 10V sesuai dengan hitungan 32767.

 

Setiap output analog mampu menyediakan empat rentang output (dua tegangan dan dua arus):

  • 0 hingga +10 volt (unipolar) - rentang default untuk saluran input dan output.
  • –10 hingga +10 volt (bipolar)
  • 0 hingga 20 miliampere
  • 4 hingga 20 miliampere

 

 

 

DETAIL CEPAT

  1. Merek :GE
  2. Model :IC693CMM321
  3. Tempat Asal : USA

 

DESKRIPSI

Output dapat dikonfigurasi untuk Menahan Keadaan Terakhir atau untuk mengatur ulang ke ujung bawah rentangnya jika daya sistem terputus. Output juga dapat dikonfigurasi untuk beroperasi dalam mode ramp pada perintah dari program aplikasi. Dalam mode ramp, transisi saluran output ke nilai baru selama periode waktu tertentu, daripada mengambil nilai baru segera. Batas alarm tinggi dan rendah dapat diatur untuk semua saluran input dan kesalahan kabel terbuka (mode output arus) dapat dilaporkan ke CPU untuk setiap saluran output. Modul ALG442 di rak RX3i mendukung peningkatan firmware di lapangan.

 

 

SPESIFIKASI

Jumlah Saluran Input: 4 diferensial
Rentang Input: 0 hingga 20 mA / 4 hingga 20 mA / 4 hingga 20 mA Ditingkatkan
Resolusi 0 hingga +10V: 2,5 mV (1 LSB = 2,5 mV)
Resolusi -10 hingga +10V: 5 mV (1 LSB = 5 mV)
Respons Filter Input: 29 Hz
Konsumsi Arus Dari Catu Daya +5V Internal: 95 mA
Konsumsi Arus Dari Catu Daya Pengguna Eksternal: 129 mA
Jenis Perangkat: Input / Output Analog, Arus / Tegangan
Rentang Tegangan Catu Daya Eksternal: 20 hingga 30 VDC (24 VDC tipikal)
Ripple Tegangan: 10%
Konsumsi Daya: 95 mA dari catu daya +5 VDC internal, 150 mA dari catu daya +24 VDC eksternal
Tingkat Pembaruan: Tingkat Pembaruan: 3 ms
Isolasi, Lapangan ke Backplane dan ke Rangka Ground: 250 VAC terus menerus; 1500 VAC selama 1 menit
Output Analog: Dua, Single?Ended
Rentang Output: 0 hingga 20 mA, 4 hingga 20 mA
Kapasitansi Beban Output: 2000 pF (maksimum)
Induktansi Beban Output: 1 H (maksimum)

 

 

Modul Input/Output Kombinasi Arus/Tegangan Analog menyediakan hingga 4 saluran arus atau tegangan input diferensial dan 2 saluran output single-ended dengan output loop arus atau output tegangan. Setiap saluran dapat dikonfigurasi secara individual untuk rentang arus atau tegangan, sebagaimana berlaku, yang diperlukan untuk aplikasi Anda. Semua konfigurasi modul dilakukan melalui perangkat lunak, kecuali untuk jumper yang diperlukan untuk memilih mode input arus. Semua rentang dapat dikonfigurasi menggunakan fungsi konfigurator perangkat lunak pemrograman Logicmaster 90-30/20/Micro atau Programmer Genggam Seri 90-30.

 

Perhatikan bahwa dalam deskripsi modul ini, modul tersebut akan disebut sebagai Modul Combo Analog.

 

Setiap input analog mampu menyediakan lima rentang input (dua tegangan dan tiga arus), yaitu:

  • 0 hingga +10 volt (unipolar) - rentang default untuk saluran input dan output.
  • –10 hingga +10 volt (bipolar)
  • 0 hingga 20 mA 4 hingga 20 mA
  • 4 hingga 20 mA Ditingkatkan

 

Rentang input default adalah mode tegangan 0 hingga +10 volt (unipolar) dengan data pengguna yang diskalakan sehingga 0V sesuai dengan hitungan 0 dan 10V sesuai dengan hitungan 32767.

 

Setiap output analog mampu menyediakan empat rentang output (dua tegangan dan dua arus):

  • 0 hingga +10 volt (unipolar) - rentang default untuk saluran input dan output.
  • –10 hingga +10 volt (bipolar)
  • 0 hingga 20 miliampere
  • 4 hingga 20 miliampere
 
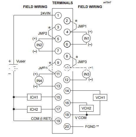
Diagram Pengkabelan Lapangan Modul Combo Analog IC693ALG442
 
IC693CMM321 Ethernet Plc Controllers, SERIES 90-30 Io Ethernet Module 4 Saluran 0
 
PRODUK SERUPA
IC693CMM321A IC693CMM321B IC693CMM321C
IC693CMM321D IC693CMM321E IC693CMM321F
IC693CMM321G IC693CMM321H IC693CMM321J
IC693CMM321J IC693CMM321K IC693CMM321L
IC693CMM321M IC693CMM321N IC693CMM321O
IC693CMM321P IC693CMM321Q IC693CMM321R
IC693CMM321S IC693CMM321T IC693CMM321U
IC693CMM321V IC693CMM321W IC693CMM321X
IC693CMM321Y IC693CMM321Z

 

 

IC693CMM321 Ethernet Plc Controllers, SERIES 90-30 Io Ethernet Module 4 Saluran 1

 


PRODUK UNGGULAN LAINNYA

Motor Yasakawa, Driver SG- Motor Mitsubishi HC-,HA-
Modul Westinghouse 1C-,5X- Emerson VE-,KJ-
Honeywell TC-,TK- Motor Fanuc A0-
Pemancar Rosemount 3051- Pemancar Yokogawa EJA-