logo

rincian produk

Created with Pixso. Rumah Created with Pixso. Produk Created with Pixso.
Perangkat perlindungan tegangan rendah
Created with Pixso.

Rumah kuningan kokoh HMI panel sentuh Tuas jungkat-jungkit 1250W 11-12110-00

Rumah kuningan kokoh HMI panel sentuh Tuas jungkat-jungkit 1250W 11-12110-00

Nama merek: Emerson
Nomor Model: Nomor telepon 11-12110-00
MOQ: 1
harga: Dapat dinegosiasikan
Ketentuan Pembayaran: L/C, D/A, D/P, T/T, Western Union, MoneyGram
Kemampuan Penyediaan: Di dalam stok
Informasi Rinci
Tempat asal:
Amerika
Sertifikasi:
CE
Kemasan rincian:
Kotak Asli Baru
Menyediakan kemampuan:
Di dalam stok
Deskripsi Produk
Deskripsi Produk Rincian
Merek: Emerson Model: 11-12110-00
Asal usul: 11-12110-00 AC: 120/240/480/600VAC
W: 1250W Kemasan: Kotak
Sorot:

layar sentuh tampilan hmi

,

Panel HMI industri

 

 

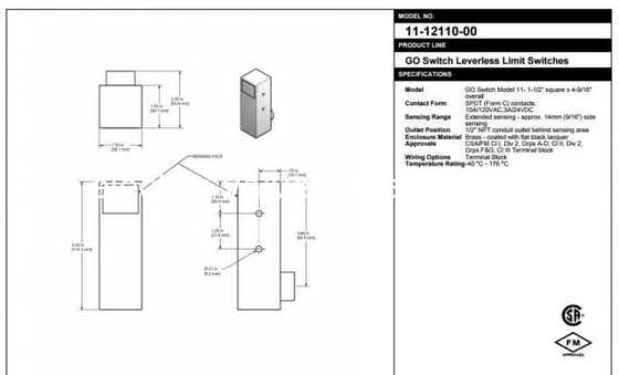
HMI Touch Screen Emerson GO SWITCH 11-12110-00 1250W 120/240/480/600VAC 1/2 inci NPT

 

GO Switch Model 11 memiliki kandang yang kokoh dan persetujuan global. Kontak dinilai untuk 10 ampere.Semua saklar termasuk sekrup pemasangan kepala bulat dengan kunci pencuci dan kacang. Switch tanpa tuas asli, GO Switch Model 11 memiliki kontak berkedip emas yang disegel, sensor tanpa sentuhan dan respon tindakan langsung dalam desain switch persegi: 38mm persegi x 116mm tinggi.Seperti semua GO Switch, dapat dihubungkan A / C atau D / C, N / O atau N / C, tidak mengkonsumsi daya untuk beroperasi, dan tidak memiliki kebocoran arus atau penurunan tegangan.

Tersedia dalam perlengkapan kuningan atau stainless steel yang kokoh, GO Switch Model 11 tahan terhadap penyalahgunaan fisik, kelembaban dan korosif.Ini menawarkan kontak SPDT 10amp yang cocok untuk arus tinggi atau rendah, serta sensing sisi standar 10mm, sensing diperpanjang hingga 14mm, atau sensing presisi 6mm. Cocok untuk Zona 0, 1, atau 2 (Div 1 & 2) aplikasi tahan ledakan,dapat menahan suhu hingga 176°C, dan dapat dicelupkan hingga 132 meter.

Desain Model 11 yang sederhana, kandang yang kokoh, jangkauan sensing yang panjang, fleksibilitas kabel, dan persetujuan global membuatnya menjadi pilihan ideal di mana pun sensing posisi yang dapat diandalkan diperlukan.

Manfaatnya:

  • Rumah yang terbuat dari kuningan atau baja tahan karat tahan terhadap penyalahgunaan fisik, kelembaban, lingkungan yang mudah meledak, dan korosif.
  • Armatur Seesaw memberikan tindakan cepat dan tekanan kontak yang solid, menghilangkan 'kontak menggoda' dan 'kontak mengobrol' dalam aplikasi getaran tinggi
  • Kontak SPDT tugas berat bernomor 10amp/120VAC, 3amp/24VDC, .5amp/125VDC
  • Suhu standar -40°C sampai 105°C, pilihan suhu tinggi hingga 176°C
  • Cocok untuk Zona 0, 1, atau 2 (Divisi 1 & 2) aplikasi tahan ledakan
  • Satu-satunya saklar jarak dekat yang tahan ledakan di dunia dengan nilai 10 ampere

 

 

Sensor magnetik: Jenis sensor - Sensor magnet induktif; Aplikasi - Sensing logam besi; Gaya pemasangan rumah - Blok; Posisi sensing - Sisi; Kawat - 3W; Mode output - SPDT;Bahan - Rumah - Kuningan, Black Lacquer; Jenis Koneksi - Outlet Saluran; Ukuran Koneksi - 1/2 " NPT; Rating kandang - Kelas 1, Div. 2; Suhu Operasi - -40 sampai 177 derajat C -40 sampai 350 derajat F;Informasi tambahan - Sensor jarak: 14 mm. Dengan Target Magnet: 95 mm tidak termasuk; Seri Produsen - GO Switch 10 Series

 

Informasi tambahan: Jarak sensing: 14 mm Dengan magnet target: 95 mm (tidak termasuk)

 

Rumah kuningan kokoh HMI panel sentuh Tuas jungkat-jungkit 1250W 11-12110-00 0

 

Spesifikasi:

Jenis sensor: Sensor magnetik
Aplikasi: Sensing Logam Besi
Gaya pemasangan rumah: Blok
Posisi sensing: Sisi
Kabel: 3W
Mode output: SPDT
Bahan - Rumah: Tembaga, Lak hitam
Jenis koneksi: Outlet saluran
Ukuran koneksi: 1/2 in. NPT
Klasifikasi kandang: Kelas 1, Div. 2
Suhu operasi: -40 sampai 177 derajat C (-40 sampai 350 derajat F)

 

 

Model serupa:

81-20546-A2 81-20516-A2
7E-33658-DCA 7G-13529-B3
73-1352T-A2 73-13523-A2
73-13524-A2 11-11524-A2